Genie Scissor Lift Wiring Diagram
Vt Commodore Ignition Wiring Diagram, Complete Wiring Diagrams For Holden Commodore VT, VX, VY, VZ, VE, VF, 5.36 MB, 03:54, 32,796, John Amahle, 2018-08-01T19:37:41.000000Z, 19, Vt Commodore Ignition Wiring Diagram, to-ja-to-ty-to-my-to-nasz-swiat.blogspot.com, 1272 x 1800, jpeg, bcm pcm 12j swiat nasz, 20, vt-commodore-ignition-wiring-diagram, Anime Arts
Maintenance time and costs are reduced with a new consolidated maintenance protocol for all genie ® s ® telescopic booms, z ® articulated booms, gs ™ scissor lifts and telehandlers gth™. Following updated procedures and simplified intervals, the genie maintenance instructions provide rental store owners the flexibility needed to keep your. Downloading new figures from the genie website at www. genielift. com. Go to genie ® parts manuals;
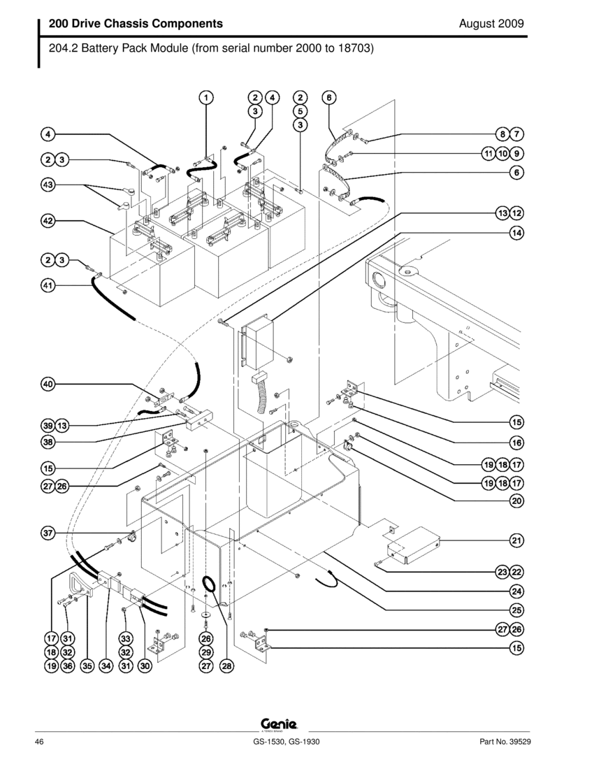
Maintenance time and costs are reduced with a new consolidated maintenance protocol for all genie ® s ® telescopic booms, z ® articulated booms, gs ™ scissor lifts and telehandlers gth™. Following updated procedures and simplified intervals, the genie maintenance instructions provide rental store owners the flexibility needed to keep your. Our extensive parts network ships to locations around the world, with almost all orders processed in 24 hours. Quickly and easily find and order the genie® genuine parts, accessories and service tools you need. With the genie serial number smart parts lookup system, you’re. Genie scissor lift wiring diagram. Required fields are marked * name. Its submitted by meting out in the best field. Gs are wired in series to produce 24 volts.
Genie Gs 1930 Wiring Diagram
Genie Wiring Diagram - 38

Upright Scissor Lift Wiring Diagram - General Wiring Diagram

Elevator Wiring Diagram Free - Hanenhuusholli

Scissor Lift Hydraulic Schematic - Complete Wiring Schemas
Wiring Diagram For Jlg Scissor Lift 1532 - Wiring Diagram Schemas
Wiring Diagram For Jlg Scissor Lift 1532 - Wiring Diagram Schemas
Genie Scissors Lift G Gs 2046 Gs 2646 Gs 3246 From Sn Gs4612c 10000 Parts
